私のマーク2クオリスには純正でキーレス+サイレンは付いていますが、ハザードバックの機能はついておりません
音だけでもドアのロック/アンロックは判断付くので特段不便はしておりませんが、気持ち寂しいので現代の車のようにサイレン+ハザードアンサーバックをリレーを組み合わせて自作してみることにしました
ネットで調べてみると5極リレーと4極リレーを組み合わせれば自作可能との情報がありましたので、そちらを参考にしながらやってみます
必要なものを準備
まずは回路作成の為に部品を準備します

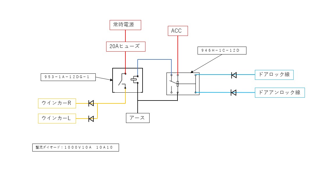
今回使用したリレーは秋月電子通商で取り扱っていた
- 5極リレー:946H-1C-12D ¥60/個
- 4極リレー:953-1A-12DG-1 ¥200/個
Amazon等でも一応取り扱いありますが、バラ個数では買えないので少し割高になってしまいます
こちらは下の画像の回路を参考に準備しました

というより先に結果から言うと、画像の通りにリレーやら配線やらを繋げていけばほぼほぼ無事にハザードアンサーバックが動作しました
知恵袋さん本当にありがとうございます
それと次に大事な整流ダイオードの型式は1000V10A 10A10になります
整流ダイオードは送料等を考えるとAmazonの方が少し安いかなと
そもそもなぜ整流ダイオードが必要かというと、今回のようにウインカー線等に追加で配線を割り込ませていくと、本来そのタイミングでは流れていないはずの電線に電気が流れてしまうといった現象が起きてしまいます

例を挙げると上のオレンジ線のように電気が流れると左ウインカーを上げようとすると右ウインカーも点滅してしまいます

それを防ぐために整流ダイオードで電流の流れを一方向に規制してあげるといった必要があります
因みに参考にした回路のドアロック/アンロック信号に使用する整流ダイオードは1Aのタイプを使用するとありますが、1Aだと容量不足?なのか動作が不安定でしたので私は全ての箇所で10Aの整流ダイオードを使用しました
はんだ付けも行いますので100均にでも行ってはんだこてとはんだを買ってきて、あとは適当に配線とギボシやら割り込みカプラーを準備しておきましょう
実際に回路を作成
頭でイメージしたままはんだやギボシで繋げていってもいいですが、一旦絵に書いてから取り掛かった方が間違いが少ないですし、完成イメージも付きやすいです

PPで作図してみました
もうこの時点でやりきった感が出てしまったのは言うまでもありません



そしてこんな感じで実物は完成しました
はんだ付けは苦手ですのでとても汚いですが、結線間違えててきちんと動作しないパターンもあるのでとりあえずこのままで進めていきます
常時電源とACCはオーディオ線にちょうど一つずつ余りがあったのでそこから間借りしました



クオリスのドアロック/アンロック信号は運転席足元右側のパネルの裏にコネクターが大量にある中にありました
整備要領書に載っていた配線図を見ると他にも信号を取り出せそうな場所はあったのですが、一番取り出しやすそうな場所が写真の場所だと思いました。線自体は配線図を参考にして見つけ出しておいて、念のために検電テスターを使って間違いないかを確認しました
検電テスターを使用するときはドアのロック/アンロックをしたときに一瞬だけ反応しますので見逃さないように(いや、流石に見逃さないか。)


ウインカー線はハザードスイッチのところから取り出しました
ハザードスイッチは裏から押すとぽこっと簡単に取れたので作業しやすいところまで引っ張り出して、割り込みカプラーを使ってウインカーと接続します

後はリレーやら配線やらをいい感じに隠せば完了です。本当に何でもよかったので100均で売っていたポケモンとかのカードケースを使いました
動作確認
配線作業が終わればテストしてみます
動画で動作する様子を撮影してみましたが特に問題なさそうです
感想
リレーを組み合わせてアンサーハザードバックを作るのは作業的にはかなり簡単でした
唯一手こずる点としましたら、ドアロック/アンロック信号を見つけ出すとこじゃないかなと思います
ただ一つ不満なのが、ロックの時にハザード一回点滅は問題ありませんがアンロックの時に二回点滅させたいという点
現状だと二回点滅させる回路が思いつかないのでとりあえずはこのままで良しとしておきます(遅延リレーか自己保持回路を組み合わせればいけそうな気もしてるんですが。。)


コメント